一开冰箱门 竟然全是塑料!
已有人阅读此文 - -针对冰箱公司来讲,加工过程中所涉及到的原材料和构件关键包含四大类:塑料类、钣金件类,制冷机组类和电气控制系统类,而一般状况下,塑料所参加生产制造的构件总数数最多。以某型号规格中等水平容量的流行冰箱商品为例子,塑料材料的构件占全部冰箱构件的近70%,塑料总品质占冰箱总重40%上下。
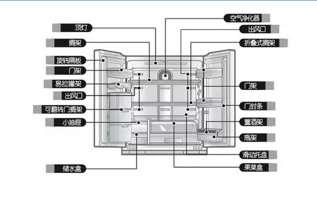
冰箱内部构造图例

五种冰箱常见塑料原材料

一、聚氨酯材料――PU
在聚氨酯产品中,其发泡塑料约占总产量的80%之上,具备传热系数低和生产加工性能好的特性,特别适合用以保温隔热,因而被普遍用以冰箱门扇和壳体的隔热板。
隔热板是冰箱的核心部件,冰箱生产商大多数采用现场发泡的工艺,以聚醚多元醇、丙烯酸酯及环戊烷为关键原材料,填充至冰箱的门扇和壳体隔热板,在一定的高溫下聚氨酯发泡成型,并根据调整原材料间的不一样配制,操纵聚氨酯发泡的速率和泡孔实际效果,以获得理想的隔热保温实际效果。
在需要的塑料成本费中,PU大概占有了40~50%的成本费比例。
二、聚乙烯――PS
冰箱生产制造中常见的聚乙烯包含通用性聚乙烯(GPPS)、高抗撕裂聚乙烯(HIPS)及可发性聚乙烯(EPS)。
聚乙烯是冰箱生产制造中使用量较大 的塑料种类,其使用量占冰箱塑料总使用量的60%之上。
GPPS:规格可靠性好、缩水率低,关键用以注塑加工成型生产制造冰箱中全透明、硬质的的构件,假如菜盒、瓶座等构件。
HIPS:是一种改性改性材料的聚乙烯,具备优良的耐冲击性能,加温后延伸性能优良。关键用以生产制造冰箱的內胆和门衬,所采用的生产加工工艺是真空泵吸咐成型法。
EPS:避震性能好,关键用以生产制造冰箱制成品包裝和运送全过程中的避震辅材。
三、聚丙稀――PP
生产制造工艺简易、质优价廉,注塑制品具备较高的延展性和表面光滑度,另外具有优良的耐溶剂浸蚀性能,在冰箱生产制造中关键用以生产制造冰箱抽屉柜。
四、丙稀腈-丁二烯-丁二烯――ABS
抗压强度高、光滑度好、易生产加工、产品缩水率劣等出色的综合性性能,关键用以生产加工外型零部件,如:门拉手和各种装饰设计条。
五、高压聚乙烯――PE
无臭、无气味、无毒性,具备优良的耐冲击性能和耐溶剂品行,渗透系数低。关键用以各种各样管件的生产制造,冰箱公司一般 选用注塑方法成型的工艺来开展生产加工。
六、别的塑料
除开所述5类原材料以外,聚炳烯(PVC)、聚碳酸(PC)、聚酯切片(POM)、聚乙酸乙烯酯(PMMA)及其丙烯酸树脂(PA)也是冰箱生产制造中的普遍塑料,关键用以门封条、灯盖、门铰链、显示信息控制面板及联轴器等构件。
冰箱上重要塑料件成型工艺

关键塑料工艺运用状况
1、內胆
內胆选用ABS或HIPS原材料经真空泵成型而成。
ABS三种成分对性能的奉献是不一样的,
A:关键奉献耐酸类和耐温性;
B:关键奉献抗冲击性和延展性;
S:关键奉献工艺性能和刚度。
一般来说:硫化橡胶成分提升,冲击性抗压强度提升,但生产加工流通性和老化性能则有一定的降低;丙烯腈成分提升,则耐酸类和耐温性提升,这也是ABS与HIPS的较大 区别。
冰箱內胆的吸朔成型关键有下列几类方式:阳模成型、阳模成型、压空真空泵成型工艺等。压空真空泵成型工艺能够 成型部分更清楚的构造及节约原材料。
吸朔机器设备:关键有直线型和转盘式多工序吸塑成型机、单工序吸塑成型机,如今主要是直线型多工序吸塑成型机。
2、门封条
门封条一般 用软塑PVC挤压成型,其典型性的生产制造工艺是:
PVC颗粒料、改性剂混和→制粒→挤压成型→圆角→穿变压器骨架→电焊焊接
对门封条构造和原材料的科学研究是要确保门封条密封性隔热保温实际效果,完成环保节能,而且保证门封条在应用全过程中除霉抑菌,除此之外,新式门封条也是有选用聚氨酯弹性体铝压铸工艺生产制造。
3、保温管道层
硬质的PU泡沫塑料塑料用以冰箱隔热层,是关联到冰箱性能、构造及生产制造工艺的重要原材料,主要是以丙烯酸酯和丁腈胶为关键原材料,再加上各种各样改性剂,在冰箱生产制造当场注浆聚氨酯发泡而成,发泡胶关键有R11、R141b、CO2、水等。
不一样的发泡胶的不一样的传热系数,是决策保温管道层的重要性能,制冷剂r32发泡技术的关键研究内容是减少泡沫塑料传热系数,完成环保节能。
冰箱壳体发泡设备关键有:直线型和地环式;冰箱门扇发泡设备形式关键有:履带和转盘式,壳体注浆方法有前板注泡和后底版注泡。
4、门把手
冰箱门把手一般 选用ABS材料经注塑加工而成,拉手的结构形式最能体现冰箱门扇造型设计,因而,注塑加工后的门拉手一般 历经表面装饰设计工艺覆塑钢扣板构造提示以考虑顾客对冰箱外型装饰设计的追求完美。
表面装饰设计工艺关键有:电镀工艺、热转印工艺、热印、移印、罩光喷漆、结构内装饰设计。结构内装饰设计是至今最优秀的表面装饰设计工艺,将表面装饰设计等二次生产加工工艺与注塑加工一次进行,并且品质大幅度提高,结构内装饰设计工艺与一般注塑加工工艺有以下不一样:
①有一套全自动送箔精细定位设备,成型时借助工装夹具或装有真空泵吸咐使箔与模貝迎合;
②模具顶针设计方案与进胶口在同一侧。
5、冰箱店面
冰箱门控制面板如今大多数以覆塑钢扣板替代了以往的喷涂或粉末喷涂的金属材料控制面板,覆塑钢扣板是以冷轧板(CRS)或镀锌板(EG或GI)为板材,复合型PVC膜而成,PVC纹路塑料薄膜能够 包装印刷各种各样装饰图案融入顾客的要求,因为生产加工工艺和原材料不一样,覆塑钢扣板和粉末喷涂板性能上面有一些差别,典型性的生产加工工艺以下:
板材→预备处理→点胶→复合型PVC膜→贴防护膜→裁切
6、别的
一般制冷压缩机罩选用PP注塑加工。近些年,PP在冰箱上的运用呈持续提高的发展趋势,在一些场所被用于注塑加工机盖、抽屉柜盒、控制器、挡板、搁物架等。
因为其相对密度低,有益于减少零部件净重和原材料耗费,而且因为汇聚工艺的改善及共混改性材料提升了PP的生产加工性能和物理力学性能,使PP在冰箱上的运用在一些场所有替代PS、ABS的发展趋势。
定义冰箱
塑料在冰箱上拥有 普遍的运用,从原材料到工艺的运用日趋完善,将来的发展趋势在原材料上把向功能性发展趋势,方式以改性材料为主导,如抑菌、阻燃性、防静电、保湿补水原材料等,已经开发设计并迈向好用。门把、抽屉柜、果蔬箱、造冰系统软件等已经选用抗菌材料,制冷压缩机罩、拉水盒选用防火材料,保湿补水原材料用以食品类、蔬菜水果的冷藏。各种各样新工艺也在被选用,如叠模注塑加工、热商品流通模貝、集中化上料系统软件等正进到塑料件的成型行业。
来源于:工程项目塑料运用

